SIS切斷閥常見安全問題
我們平常所說的“切斷閥”,其實功能不僅僅是切斷,也有正常生產中是關閉的,聯鎖時打開泄壓。切斷閥是SIS的最終執行機構,是關系安全保護的非常重要的執行機構。在實際使用中,切斷閥是安全儀表環節中最容易失效環節,切斷閥氣動元件的不同,安全使命不同。
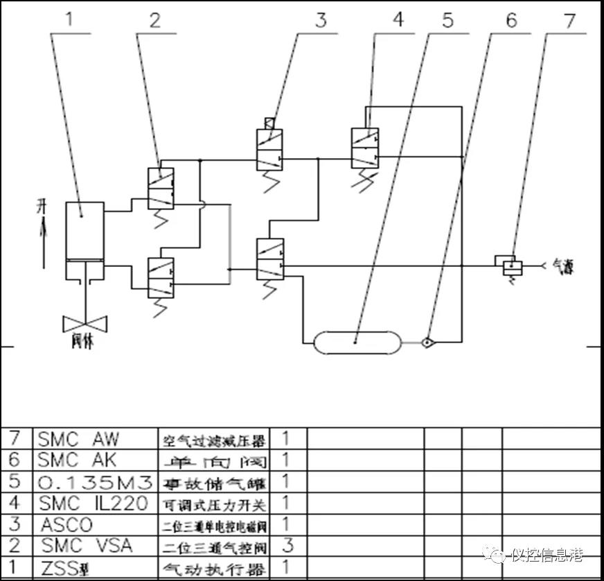
下面介紹切斷閥的幾種結構。
FC——氣源丟失,閥門處于關閉位置 FO——氣源丟失,閥門處于打開位置 FL——氣源丟失,閥門處于最后時刻位置并一直保持 FLC——氣源丟失,閥門保位但趨于關閉,閥門最終處于關閉位置(氣缸中氣體消耗完) FLO——氣源丟失,閥門保位但趨于打開,閥門最終處于打開位置(氣缸中氣體消耗完) 這是聯鎖設計中非常重要的控制點,也是關乎安全生產的非常關鍵的部分。那么我們在安全檢查中如何判斷一個閥門的故障狀態呢? 首先,我們要了解閥門的組成部分。切斷閥由閥體和氣缸兩大部分組成,就像我們家用的水閥一樣,閥體是和水管連接部分,氣缸就相當于水閥手柄。很多切斷閥的閥體和氣缸都并非一個企業生產的,比如國際上知名的閥門廠,很多都以生產閥門而著名,氣缸則是外配。切斷閥的故障模式,完全取決于氣缸部分,氣缸的結構比較復雜,而氣缸上電磁閥、氣控閥、氣動加速器、鎖止閥的搭配則更為復雜,所以在安全檢查時,對切斷閥的故障模式判斷需要仔細觀察。
下面介紹幾種閥門結構
1、單缸單作用 單杠單作用是切斷閥中最簡單的結構,也是最容易判斷故障模式的一種閥門。


缸體部分,一端是氣缸一端是彈簧,正常情況下,電磁閥帶電,動力風進入氣缸,推動氣缸移動壓縮彈簧,從而帶動閥門打開或者關閉;當電磁閥失電(聯鎖啟動)后,氣缸中的動力風迅速排出,彈簧推動氣缸移動,帶動閥門關閉或者打開。 2、雙缸雙作用 兩側都是氣缸,一端進風時,另一端排風,推動氣缸移動,從而帶動閥門打開或者關閉。

這種結構的閥門,在動力風中斷或者電磁閥失電狀態是停止不動的,不關閉也不打開,保持原位不動(注*不考慮電磁閥和氣動閥結構)。在實際使用中,閥門的故障模式,完全決定于其附件(電磁閥、氣控閥等)的組合。 3、雙缸單作用 雙缸單作用是集合單缸單作用及雙缸雙作用的優點,兩端都是氣缸,其中一個氣缸中帶有彈簧,當動力風中斷時在彈簧作用下,閥門關閉或者打開;在聯鎖啟動時,在動力風和彈簧雙重作用下,快速關閉閥門。

是不是這種閥門最好呢?也不一定。這種結構的閥門最大的弊端是,不好判斷彈簧作用力的可靠性,當聯鎖需要緊急啟動,而動力風又中斷的緊急狀態下,彈簧如果乏力,那閥門會無法關閉或者打開。而彈簧是否可靠,在正常聯鎖測試中不好判斷。 常見切斷閥的結構就這三種模式,了解這三種氣缸結構就了解閥門的故障狀態了嗎?這還遠遠不夠。氣缸的動作模式完全由外部氣動元件來控制,而氣控元件的組合根據聯鎖的需要千變萬化。舉幾個簡單的例子: 1、單缸單作用在動力風中斷時一定會關閉或者打開嗎? 大部分聯鎖閥門在動力風中斷時要求關閉或者打開,但是聯鎖的設計一定是可用性和可靠性的綜合考慮。在考慮安全性的同時一定會考慮可用性,且有時候的動力風中斷并非全部中斷,而是局部動力風管線的受損。關閉某個切斷閥會造成較大的經濟損失或者給生產帶來次生安全風險。這種情況下,一般閥門上會帶有鎖止閥,其作用就是當動力風壓力降到一定的設定值時,切斷動力風,氣缸中的壓力始終推動彈簧使得閥門保持原有狀態。加上鎖止閥就變為FL。什么情況下用到這種閥呢,比如大型的氣體凈化項目,當下游生產裝置發生故障時,需要緊急切斷上游供料閥門,下游裝置全部停工,可能會造成幾千萬的經濟損失。但是動力風暫時故障,能在短時間恢復,倒不如設置成FLC。

也就是說這樣的結構,在動力風中斷時,閥門是保持的。 2、雙缸雙作用閥門在動力風中斷時一定保持不動嗎? 也不一定,需要看氣動元件的結構。從氣路圖可以看出,閥門雖然是雙缸雙作用,但是通過氣動元件的組合,閥門變為FC。 一個切斷閥的失效概率并非完全取決于切斷閥本身。我們能從各種渠道查到的失效數據只是閥門本身的,并不包含氣控閥、電磁閥、鎖止閥、氣動加速器等等。就其閥門本身來說,一般都是比較可靠的,但是這些閥門附件的失效概率較高,也就是說我們用于現場緊急切斷的閥門,其失效概率大部分是由氣動元件導致的,而我們查到的失效概率只是閥門的,生搬硬套用這個數據去做SIL驗算是不符合實際的。把所有的氣動元件失效概率一起算不就可以了嗎?當然可以,但是氣路組合千變萬化,這個計算過程超復雜。


另外,切斷閥的使用介質對切斷閥是非常關鍵的,同一臺閥門用于不同的工況,如一臺用于干凈的汽油,一臺用于惡略工況(如煤化工、S-Zorb、聚丙烯粉料、粘稠性較大的漿料)等環境下,其失效概率差別會非常大,用于汽油的可能用30年沒問題,用于惡略工況能用三個月就不錯了。

這幾年國內閥門技術突飛猛進,在攻關惡略工況環境的閥門取得了很大的成就。但是就其閥門的可靠性來說,在考慮閥門的失效概率時,一定要考慮閥門的使用工況。 在整個聯鎖回路中,SIS系統相對故障率最低,測量部分次之,執行部分故障率最高。
